Methoden voor gangup-inslag voor VDP-taken
Voor VDP-taken (afdrukken van variabele gegevens) kunt u inslagmethoden met een of meer records gebruiken.
-
Bij Inslag met één record kunt u Combineren herhalen, Combineren Uniek, Uniek collationeren en bijsnijden of Collationeren en bijsnijden herhalen gebruiken. Raadpleeg Gecombineerd afdrukken in Fiery Impose Plus.
Bij Inslag met meerdere records kunt u Meerdere records collationeren, Snijden en stapelen of Stapelgrootte gebruiken.
Meerdere records collationeren
Met Meerdere records collationeren plaatst u pagina's uit verschillende records op volgorde op het veloppervlak. De eerste pagina van elke record wordt op het veloppervlak geplaatst totdat alle records zijn verwerkt. Vervolgens wordt een nieuw vel gestart. De tweede pagina van elke record wordt geplaatst totdat alle records zijn verwerkt. Dit proces wordt herhaald totdat alle pagina's zijn geplaatst.
In het volgende voorbeeld wordt een opmaak Meerdere records collationeren (2x2, enkelzijdig) weergegeven die op een VDP-taak met vier records is toegepast. Elke record bestaat uit vier pagina's. R staat voor record, P voor pagina. R1 P1 is bijvoorbeeld pagina 1 van record 1.

Snijden en stapelen
Met Snijden en stapelen schikt u de pagina's zo op het veloppervlak dat de vellen gestapeld en gesneden kunnen worden, waarna de gesneden vellen snel gestapeld kunnen worden zonder verder te worden gesorteerd. De opmaak Snijden en stapelen kan worden gebruikt met de optie Stapelgrootte.
In het volgende voorbeeld wordt een opmaak Snijden en stapelen (2x2, enkelzijdig) weergegeven die op een VDP-taak met 100 records is toegepast. Elke record bestaat uit een pagina. Als de vellen zijn gestapeld, gesneden en nogmaals gestapeld, worden de records op volgorde gerangschikt.

| 1 | Afdrukken |
| 2 | Knippen |
| 3 | Stapelen |
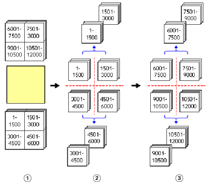
Stapelgrootte
Stapelgrootte verdeelt grote VDP-taken in kleinere batches om de resulterende workflow Snijden en stapelen te vereenvoudigen. Hiermee kunt u de gestapelde vellen beperken tot aantallen die door standaardsnijmachines kunnen worden verwerkt. Elke batch wordt afzonderlijk ingeslagen met de opmaak Snijden en stapelen. Tussen de batches worden scheidingsvellen geplaatst. (De optie Stapelgrootte is alleen beschikbaar als u de opmaak Snijden en stapelen kiest.)
In het volgende voorbeeld wordt een opmaak Snijden en stapelen (2x2, enkelzijdig) weergegeven die op een VDP-taak met 12000 records is toegepast. Elke record bestaat uit één pagina. Hiervoor zijn 3000 vellen nodig. De optie Stapelgrootte is ingesteld op 1500 records per batch. De resulterende opmaak bestaat uit twee batches. Elke batch kan worden gesneden, gesorteerd, gestapeld en paarsgewijs verpakt.

| 1 | Afdrukken |
| 2 | Eerste stapel snijden en verpakken |
| 3 | Tweede stapel snijden en verpakken |