Metodi di imposizione Stampa multipla per i lavori VDP
Per i lavori di stampa con dati variabili (VDP), è possibile usare i metodi di imposizione a singolo record o a record multipli.
-
Per Imposizione a record singolo è possibile utilizzare Stampa multipla con elementi ripetuti, Stampa multipla con elementi unici, Elementi unici-Fascicolazione e taglio o Elementi ripetuti-Fascicolazione e taglio. Vedere Stampa multipla in Fiery Impose Plus.
Per Imposizione di più record:, è possibile usare Raccogli record multipli, Taglia e raccogli o Dimensione risma.
Raccogli record multipli
Con Raccogli record multipli, le pagine di diversi record vengono disposte in sequenza sulla facciata del foglio. La prima pagina di ciascun record viene posizionata sulla facciata del foglio, fino a esaurimento di tutti i record. Successivamente, la seconda pagina di ciascun record viene posizionata su un nuovo foglio, fino all'esaurimento di tutti i record. Questo processo viene ripetuto finché tutte le pagine non saranno state posizionate sui fogli.
L'anteprima sotto riportata mostra il layout di Raccogli record multipli per la stampa su lato singolo 2x2 applicato a un lavoro VDP contenente quattro record. Ciascun record è composto da quattro pagine. “R” sta per record, mentre “P” indica la pagina. Ad esempio, “R1 P1” indica la pagina 1 per il record 1.

Taglia e raccogli
Con la funzione Taglia e raccogli, le pagine vengono disposte sulla facciata del foglio in modo tale che i fogli possano essere raccolti e tagliati e, una volta impilati, possano essere facilmente raccolti senza eseguire alcuna fascicolazione aggiuntiva. Il layout Taglia e raccogli può essere utilizzato in combinazione con l'opzione Dimensione risma.
L'esempio seguente mostra il layout di Taglia e raccogli per la stampa su lato singolo 2x2 applicato ad un lavoro VDP contenente 100 record. Ciascun record corrisponde a una pagina. Quando i fogli vengono raccolti, tagliati e nuovamente raccolti, i record vengono disposti in sequenza.

| 1 | Stampa |
| 2 | Tagliato |
| 3 | Raccogli |
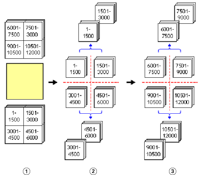
Dimensionerisma
Dimensione risma divide i lavori VDP di grandi dimensioni in lotti più piccoli per semplificare il risultante flusso di lavoro Taglia e raccogli. Questo consente di limitare i fogli raccolti in quantità compatibili con le taglierine standard. Ciascun lotto viene sottoposto a imposizione individualmente nel layout Taglia e raccogli e, tra i diversi lotti, vengono posizionati fogli di separazione. L'opzione Dimensione risma è disponibile solo se si seleziona il layout Taglia e raccogli.
L'esempio seguente mostra il layout Taglia e raccogli per la stampa su 2x2 applicato a un lavoro VDP che contiene 12000 record, ciascuno dei quali è composto da una sola pagina. Di conseguenza, saranno necessari 3000 fogli. L’opzione Dimensione risma è impostata su 1500 fogli per lotto. Il layout ottenuto sarà composto da due lotti, che verranno tagliati, fascicolati, raccolti e impacchettati l’uno dopo l’altro.

| 1 | Stampa |
| 2 | Taglia la prima pila e compatta |
| 3 | Taglia la seconda pila e compatta |
