Méthodes d’imposition groupée pour les tâches VDP
Pour les tâches d’impression de données variables (VDP), vous pouvez utiliser les méthodes d’imposition d’un ou de plusieurs enregistrements.
-
L’Imposition d’un seul enregistrement peut utiliser les modes Impression groupée et répétée, Impression groupée une fois, Assembler et couper une fois ou Assembler et couper plusieurs fois. Voir Impression groupée dans Fiery Impose Plus.
L’Imposition de plusieurs enregistrements peut utiliser les modes Assemblage de plusieurs enregistrements, Massicoter et empiler ou Hauteur de la pile.
Assemblage de plusieurs enregistrements
L’Assemblage de plusieurs enregistrements agence les pages issues de différents enregistrements de manière séquentielle sur la feuille. La première page de chaque enregistrement est positionnée sur la feuille jusqu’à ce que tous les enregistrements soient utilisés. Ensuite, une nouvelle feuille commence et la deuxième page de chaque enregistrement est positionnée dessus, jusqu’à ce que tous les enregistrements soient utilisés. Le processus se répète jusqu’à ce que toutes les pages soient positionnées.
L’aperçu suivant présente des agencements recto 2 à 2 et en mode Assemblage de plusieurs enregistrements, appliqués à une tâche VDP qui contient quatre enregistrements. Chacun des enregistrements se compose de quatre pages. « R » correspond à Enregistrement (Record), et « P » à Page. Par exemple, « R1 P1 » correspond à la page 1 de l’enregistrement 1.

Massicoter et empiler
L’option Massicoter et empiler agence des pages sur les feuilles afin que ces dernières puissent être empilées et massicotées, et que les piles coupées puissent être empilées sans nécessiter aucun tri supplémentaire. L’agencement Massicoter et empiler peut s’utiliser avec l’option Hauteur de la pile.
L’exemple suivant présente des agencements recto 2 à 2 et en agencement Massicoter et empiler, appliqués à une tâche VDP qui contient 100 enregistrements. Chaque enregistrement consiste en une page. Lorsque les feuilles sont empilées, massicotées et empilées à nouveau, les enregistrements sont agencés selon un ordre séquentiel.

| 1 | Imprimer |
| 2 | Coupé |
| 3 | Empiler |
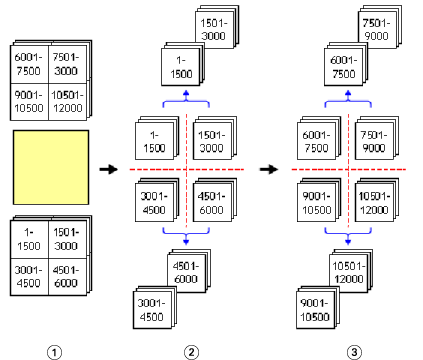
Hauteur de la pile
L’option Hauteur de la pile divise les tâches VDP volumineuses en lots plus petits, en vue de simplifier le flux de production Massicoter et empiler. Ceci vous permet de limiter la quantité de feuilles empilées en fonction de la capacité de traitement du massicot. Chaque lot est imposé de manière indépendante au moyen de la mise en page Massicoter et empiler ; des feuilles de séparation s’intercalent entre les différents lots. (L’option Hauteur de la pile n’est disponible que lorsque vous choisissez la mise en page Massicoter et empiler.)
L’exemple suivant présente des agencements recto 2 à 2 et en agencement Massicoter et empiler, appliqués à une tâche VDP qui contient 12 000 enregistrements, dont chacun consiste en une seule et unique page. 3 000 feuilles sont ainsi générées. L’option Hauteur de la pile est définie sur 1 500 feuilles par lot. L’agencement résultant consiste donc en deux lots qui peuvent être coupés, triés, empilés et conditionnés en parallèle.

| 1 | Imprimer |
| 2 | Couper 1re pile et conditionner |
| 3 | Couper 2e pile et conditionner |
