Sammelform-Ausschießmethoden für VDP-Aufträge
Für VDP-Aufträge (variabler Datendruck) können Sie Ausschießmethoden für einen einzelnen Datensatz oder mehrere Datensätze verwenden.
-
Bei Einzeldatensatz ausschießen können Sammelformtyp „Mehrmals“, Sammelform einmal, Einmal, Schnitt im Stapel oder Mehrmals, Schnitt im Stapel verwendet werden. Weitere Informationen finden Sie unter Sammelformdruck in Fiery Impose Plus.
Bei Mehrere Datensätze ausschießen können Mehrsatzmodus – Sortieren, Ausschneiden und stapeln oder Stapelgröße verwendet werden.
Mehrsatzmodus – Sortieren
Über Mehrsatzmodus – Sortieren werden Seiten aus unterschiedlichen Datensätzen in aufeinanderfolgender Reihenfolge auf dem Bogen platziert. Die erste Seite jedes Datensatzes wird auf dem Bogen platziert, bis alle Datensätze abgearbeitet wurden. Danach wird ein neuer Bogen begonnen, auf dem die zweite Seite jedes Datensatzes platziert wird, bis wiederum alle Datensätze abgearbeitet wurden. Dieser Prozess wird wiederholt, bis alle Seiten jedes Datensatzes platziert wurden.
In der folgenden Vorschau wird eine Sammelform vom Typ Mehrsatzmodus – Sortieren mit 2 Zeilen und 2 Spalten auf einen VDP-Auftrag angewendet, in dem vier Datensätze enthalten sind. Jeder dieser Datensätze umfasst vier Seiten. In der Abbildung steht „R“ für Datensatz (engl. „Record“) und „P“ für Seite (engl. „Page“). So bedeutet „R1 P1“ zum Beispiel „Seite 1 aus Datensatz 1“.

Schneiden und stapeln
Bei einer Sammelform Ausschneiden und stapeln werden die Dokumentseiten so auf dem Bogen angeordnet, dass nach dem Schneiden der gestapelten Bogen die Stapel nur noch aufeinandergelegt werden müssen, damit die Seiten in der richtigen Lesefolge vorliegen. Das Layout Ausschneiden und stapeln wird in Verbindung mit der Option Stapelgröße verwendet.
Im folgenden Beispiel wird eine Sammelform vom Typ Ausschneiden und stapeln mit 2 Zeilen und 2 Spalten für einen VDP-Auftrag angewendet, der 100 Datensätze enthält. Jeder Datensatz umfasst genau eine Seite. Wenn die Bogen gestapelt, geschnitten und nochmals gestapelt werden, liegen die Datensätze in sequenzieller Reihenfolge vor.

| 1 | |
| 2 | Ausschneiden |
| 3 | Stapel |
Stapelgröße
Mit der Option Stapelgröße werden große VDP-Aufträge in kleinere Sets unterteilt, um den damit verbundenen Workflow Ausschneiden und stapeln zu vereinfachen. Auf diese Weise können Sie die Anzahl der gestapelten Bogen auf eine Menge reduzieren, die von einer Standardschneidemaschine verarbeitet werden kann. Jedes Set wird separat unter Verwendung des Layouts Ausschneiden und stapeln ausgeschossen und zwischen die Sets werden Trennbogen eingefügt. (Die Option Stapelgröße ist nur verfügbar, wenn das Layout Ausschneiden und stapeln ausgewählt ist.)
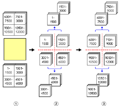
Im folgenden Beispiel wird eine Sammelform vom Typ Ausschneiden und stapeln mit 2 Zeilen und 2 Spalten für einen VDP-Auftrag angewendet, der 12.000 Datensätze enthält, von denen jeder aus einer Seite besteht. Das bedeutet, dass 3.000 Bogen bedruckt werden. Mit der Option Stapelgröße wird dieser Auftrag in zwei Sets mit jeweils 1.500 Bogen unterteilt. Das daraus resultierende Layout ergibt zwei Stapel, von denen jeder für sich geschnitten, sortiert, gestapelt und verpackt werden kann.

| 1 | |
| 2 | Ersten Satz schneiden und verpacken |
| 3 | Zweiten Satz schneiden und verpacken |
