VDP 工作的組合拼版落版方法
若是可變資料列印 (VDP,Variable Data Printing) 工作,您可以使用單一記錄或多個記錄落版方法。
-
單一記錄落版可以使用多聯拼版重複、多聯拼版唯一、唯一自動分頁剪下或重複自動分頁剪下。請參閱 Fiery Impose Plus 中的多聯拼版列印。
多個記錄落版可以使用多筆記錄自動分頁、剪下並堆疊或堆疊大小。
多筆記錄自動分頁
多筆記錄自動分頁會在紙張表面上連續放置來自不同記錄的頁面。每筆記錄的第一個頁面會放置在紙張表面,直到所有記錄用完為止。接著會開啟新的紙張,放置每筆記錄的第二個頁面,直到所有記錄用完為止。這個程序會一直重複執行,直到放置完所有的頁面為止。
以下預覽顯示 2 x 2、單面、多筆記錄自動分頁的版面配置,這是含有四筆記錄的 VDP 工作套用的版面配置。每筆記錄包含有四個頁面。R 代表記錄,而 P 代表頁面。例如,R1 P1 代表第 1 筆記錄的第 1 頁。

剪下並堆疊
剪下並堆疊會排列紙張表面上的頁面,以便紙張能夠堆疊並剪下,剪下的紙堆能夠再堆疊在一起,而不需要另外進行排序。剪下並堆疊版面配置可以搭配堆疊大小一起使用。
以下範例顯示 2 x 2、單面、剪下並堆疊的版面配置,這是含有 100 筆記錄的 VDP 工作套用的版面配置。每筆記錄包含有一個頁面。當紙張進行堆疊、剪下再堆疊,記錄會被安排連續的順序。

| 1 | 列印 |
| 2 | 剪下 |
| 3 | 堆疊 |
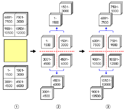
堆疊大小
堆疊大小會將大型的 VDP 工作分割成較小的批次,藉此簡化產生的剪下並堆疊工作流程。這個功能可讓您將堆疊的紙張數量限制成標準切割機容許的數量。每個批次都會使用剪下和堆疊版面配置獨立進行落版,批次之間會放置分隔印張。(堆疊大小選項只能在您選擇剪下和堆疊版面配置時使用)
以下範例顯示 2 x 2、單面、剪下並堆疊的版面配置,這是含有 12000 筆記錄、每筆記錄含有單一頁面的 VDP 工作套用的版面配置。這個結果會產生 3000 張紙。堆疊大小選項可以設定成每批次 1500 張紙。產生的版面配置會包含兩個批次,每個批次都能一連串地進行剪下、排序、堆疊和包裝。

| 1 | 列印 |
| 2 | 剪下第一個紙堆然後包裝 |
| 3 | 剪下第二個紙堆然後包裝 |
