Métodos de imposición de N por cara para trabajos de impresión de datos variables
Para trabajos de Impresión de datos variables (VDP), puede utilizar métodos de imposición de un solo registro o varios registros.
-
Imposición de un solo registro puede utilizar N por cara con repetición en grupo, N por cara Único, Único - Corte ordenado o Repetir - Corte ordenado. Consulte Impresión N por cara en Fiery Impose Plus.
Imposición de varios registros puede utilizar Ordenar con varios registros, Cortar y apilar o Tamaño de pila.
Ordenar con varios registros
Ordenar con varios registros coloca páginas en los diferentes registros secuencialmente en la superficie de la hoja. La primera página de cada registro se coloca en la superficie de la hoja hasta que se agotan todos los registros. A continuación se inicia una nueva hoja y la segunda página de cada registro se coloca hasta que se agotan todos los registros. El proceso se repite hasta que se colocan todas las páginas.
En la siguiente presentación preliminar se muestra un diseño de 2 por 2, a una sola cara, con un diseño Ordenar con varios registros aplicado a un trabajo de impresión de datos variables (VDP) que contiene cuatro registros. Los registros están formados por cuatro páginas cada uno. “R” indica Registro y “P” Página. Por ejemplo, “R1 P1” es Página 1 para Registro 1.

Cortar y apilar
Cortar y apilar ordena las páginas en la superficie de la hoja de forma que las hojas puedan apilarse y cortarse, y las pilas guillotinadas se apilen sin ninguna clasificación adicional. El diseño Cortar y apilar puede utilizarse con la opción Tamaño de pila
En el siguiente ejemplo se muestra un diseño de 2 por 2, con el diseño de cortar y apilar aplicado a un trabajo de impresión de datos variables que contiene 100 registros. Cada registro está formado por una página. Cuando las hojas se apilan, se cortan y se apilan de nuevo, los registros se ordenan siguiendo un orden secuencial.

| 1 | Imprimir |
| 2 | Cortar |
| 3 | Apilar |
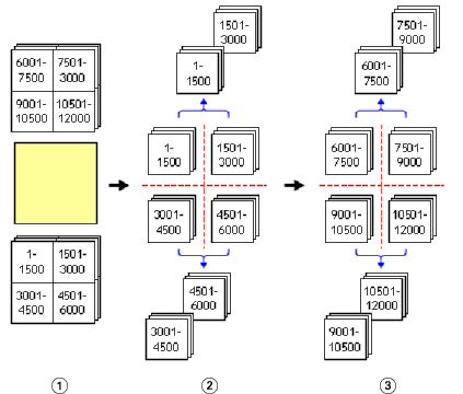
Tamaño de pila
Tamaño de pila divide los trabajos de impresión de datos variables de gran tamaño en lotes más pequeños para simplificar el flujo de trabajo de Cortar y Apilar. Esto le permite limitar las hojas apiladas a cantidades que sean adecuadas para los equipos de guillotinado estándar. A cada lote se le agrega la imposición de forma independiente mediante el diseño Cortar y apilar y se colocan hojas de separación entre los lotes. La opción Tamaño de pila solo está disponible cuando se selecciona el diseño Cortar y apilar
En la siguiente presentación preliminar se muestra un diseño de 2 por 2, a una sola cara, con el diseño Cortar y apilar aplicado a un trabajo de impresión de datos variables (VDP) que contiene 12.000 registros, cada uno formado por una sola página. El resultado tiene 3000 hojas. La opción Tamaño de pila está definida con 1500 hojas por lote. El diseño resultante está formato por dos lotes, cada uno de los cuales puede cortarse, ordenarse, apilarse y empaquetarse conjuntamente.

| 1 | Imprimir |
| 2 | Cortar la primera pila y empaquetar |
| 3 | Cortar la segunda pila y empaquetar |
