Metody vyřazování společného tisku pro úlohy VDP
Pro úlohy tisku proměnných dat (VDP) lze použít metody vyřazování s jedním záznamem nebo více záznamy.
-
Vyřazování s jedním záznamem může použít možnosti Společný tisk s opakováním, Společný tisk jedinečný nebo Jedinečná kompletace a ořez nebo Opakovaná kompletace a ořez. Viz Společný tisk v nástroji Fiery Impose Plus.
Vyřazování s více záznamy může použít možnosti Kompletovat více záznamů, Rozříznout a stohovat nebo Velikost stohu.
Kompletovat více záznamů
Kompletovat více záznamů umístí stránky z různých záznamů sekvenčně na povrch archu. Na povrch archu se umístí první stránka z každého záznamu, dokud nejsou vyčerpány všechny záznamy. Poté se vytvoří nový arch, na který se umístí druhá stránka z každého záznamu, dokud nejsou vyčerpány všechny záznamy. Tento proces se opakuje, dokud nejsou umístěny všechny stránky.
Následující náhled zobrazuje jednostranné rozložení 2-by-2 s možností Kompletovat více záznamů použité na úlohu VDP se čtyřmi záznamy. Každý záznam obsahuje čtyři stránky. „R“ znamená záznam (Record) a „P“ znamená stránku (Page). Například „R1 P1“ stránka 1 pro záznam 1.

Rozříznout a stohovat
Rozříznout a stohovat rozmístí stránky na archu tak, aby bylo možné archy stohovat a rozříznout a aby se jednotlivé odříznuté části stohovaly bez nutnosti dalšího třídění. Rozložení Rozříznout a stohovat lze použít s možností Velikost stohu.
Následující příklad ukazuje jednostranné rozložení 2-by-2 s možností Rozříznout a stohovat použité na úlohu VDP se 100 záznamy. Každý záznam obsahuje jednu stránku. Když se archy stohují, řežou a znovu stohují, záznamy jsou rozmístětné v sekvenčním pořadí.

| 1 | Tisk |
| 2 | Vyjmout |
| 3 | Stoh |
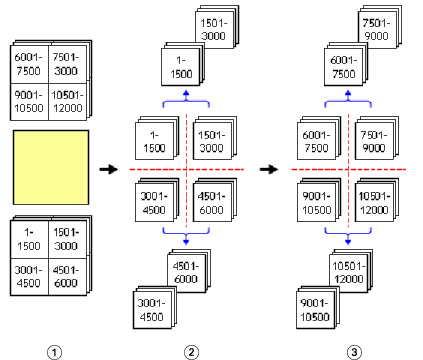
Velikost stohu
Velikost stohu rozděluje velké úlohy VDP do menších dávek a zjednodušuje tak výsledný pracovní postup Rozříznout a stohovat. To vám umožní omezit stohované archy na množství, která podporují standardní řezací stroje. Každá dávka je vyřazována nezávisle pomocí rozložení Rozříznout a stohovat a mezi dávky se umístí oddělovací archy. (Možnost Velikost stohu je dostupná pouze tehdy, pokud zvolíte rozložení Rozříznout a stohovat.)
Následující příklad ukazuje jednostranné rozložení 2-by-2 s možností Rozříznout a stohovat použité na úlohu VDP se 12000 záznamy, kde každý obsahuje jedinou stránku. Výsledkem je 3000 archů. Možnost Velikost stohu je nastavena na 1500 archů na jednu dávku. Výsledné rozložení se skládá ze dvou dávek, z nichž každou lze řezat, třídit, stohovat a balit společně.

| 1 | Tisk |
| 2 | Rozříznout první stoh a zabalit |
| 3 | Rozříznout druhý stoh a zabalit |
