VDP 作业的多联拼版方法
对于可变数据印刷 (VDP) 作业,您可以使用单记录或多记录拼版方法。
-
单记录拼版可使用多联拼版重复、多联拼版单一或单一排序裁切。请参阅Fiery Impose 中的多联拼版打印。
多记录拼版可使用多记录排序、裁切和堆叠或堆叠大小。
多记录排序
多记录排序是指将不同记录中的页面按顺序放置在印张面上。将每个记录的第一页置于印张面上,直到处理完所有记录。然后使用新的印张,将每个记录的第二页放置在印张面上,直到处理完所有记录。持续重复这个过程,直到将所有页面都放置在印张面上。
以下预览显示一个 2x2 单面多记录排序版面,该版面应用于包含 4 个记录的 VDP 作业。每个记录包含 4 个页面。"R" 代表记录,"P" 代表页面。例如,"R1 P1" 是指记录 1 的第 1 页。

裁切和堆叠
裁切和堆叠是指以特定方式在印张面上布置页面,以便能够堆叠并裁切印张,然后堆叠经过裁切的印张堆,而无需进行任何其他排序。裁切和堆叠版面可与堆叠大小选项一起使用。
以下示例显示一个的 2x2 单面裁切和堆叠版面,该版面应用于包含 100 个记录的 VDP 作业。每个记录包含一个页面。对印张进行堆叠、裁切、再堆叠后,各个记录将按顺序排列。

| 1 | 打印 |
| 2 | 裁切 |
| 3 | 堆叠 |
堆疊大小
堆叠大小可将大型可变数据印刷作业分成较小的批次,以便简化生成的裁切和堆叠工作流程。此选项可让您将堆叠印张限制为标准裁切机器可容纳的数量。使用裁切和堆叠版面对每批作业进行独立拼版,并在批次之间插入分隔页。(仅当您选择裁切和堆叠版面时,堆叠大小选项才可用。)
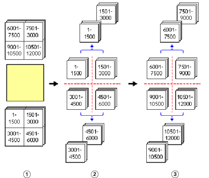
以下示例显示一个 2x2 单面裁切和堆叠版面,该版面应用于包含 12000 个记录(每个记录由一个页面组成)的 VDP 作业。这将会打印出 3000 个印张。堆叠大小选项被设置为每批次 1500 印张。生成的版面包含两批作业,可以一前一后地进行裁切、排序、堆叠和打包。

| 1 | 打印 |
| 2 | 裁切第一堆并打包 |
| 3 | 裁切第二堆并打包 |