VDP işleri için birleşik yükleme yöntemleri
Değişken veri baskısı (VDP) işlerinde tek kayıt veya çoklu kayıt yükleme yöntemlerini kullanabilirsiniz.
-
Tek kayıt yükleme seçeneğinde, Birleştir yinele, Birleştir benzersiz veya Benzersiz harmanla kes kullanılabilir. Bkz. Fiery Impose ögesinde birleştirme baskısı.
Çoklu kayıt yükleme seçeneğinde Çoklu kaydı harmanla, Kes ve yığınla veya Yığın boyutu kullanılabilir.
Çoklu kaydı harmanla
Çoklu kaydı harmanla, farklı kayıtlardan alınan sayfaları yaprak yüzeyine sıralı olarak yerleştirir. Her kayıttan alınan ilk sayfa tüm kayıtlar çıkana kadar yaprak yüzeyine yerleştirilir. Daha sonra yeni bir yaprağa geçilir ve her kayıttan alınan ikinci sayfa tüm kayıtlar çıkana kadar yerleştirilir. Tüm kayıtlar yerleştirilene kadar işlem yinelenir.
Aşağıdaki önizlemede dört kayıt bulunduran 2'ye 2, tek taraflı, Çoklu kaydı harmanla düzeni uygulanmış bir VDP işi gösterilmektedir. Her kayıtta dört sayfa bulunur. "R" Kayıt, "P" ise Sayfa anlamına gelir. Örneğin, "R1 P1" ile Kayıt 1 için Sayfa 1 ifade edilir.

Kes ve yığınla
Kes ve yığınla, yaprak yüzeyindeki sayfaları düzenler, bu sayede yapraklar yığınlanıp kesilebilir ve başka bir düzenleme yapılmadan kesilen istifler yığınlanabilir. Kes ve yığınla düzeni, Yığın boyutu seçeneği ile kullanılabilir.
Aşağıdaki örnekte 100 kayıt bulunduran 2'ye 2, tek taraflı, Kes ve yığınla düzeni uygulanmış bir VDP işi gösterilmektedir. Her kayıtta bir sayfa bulunur. Yapraklar yığınlama, kesme ve tekrar yığınlama işleminden geçince, kayıtlar sıralı olarak düzenlenir.

| 1 | Yazdır |
| 2 | Kes |
| 3 | Yığınla |
Yığın boyutu
Yığın boyutu, sonuçta ortaya çıkan Kes ve yığınla iş akışını kolaylaştırmak için büyük VDP işlerini daha küçük toplu işlere böler. Bu sayede yığınlanan yaprakları standart kesme makineleriyle uyumlu olacak miktarlara sınırlandırabilirsiniz. Her toplu iş, Kes ve yığınla düzeni kullanılarak birbirinden bağımsız şekilde yüklenir ve ayırıcı yapraklar toplu işlerin arasına yerleştirilir. (Yığın boyutu seçeneği yalnızca Kes ve yığınla düzenini seçtiğinizde kullanılabilir.)
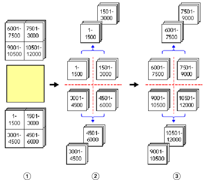
Aşağıdaki örnekte her biri tek bir sayfalık 12.000 kayıt bulunduran, 2'ye 2, tek taraflı, Kes ve yığınla düzeni uygulanmış bir VDP işi gösterilmektedir. Bu, 3.000 yaprak anlamına gelir. Yığın boyutu seçeneği toplu iş başına 1.500 yaprak olarak ayarlanır. Elde edilen düzen, ikili olarak kesme, düzenleme, yığınlama ve paketleme işlemlerinden geçirilebilen iki toplu işten meydana gelmektedir.

| 1 | Yazdır |
| 2 | İlk istifi kes ve paketle |
| 3 | İkinci istifi kes ve paketle |