Методы группового спуска полос для заданий VDP
Для заданий печати переменных данных (VDP) можно использовать методы спуска полос из одной записи или нескольких записей.
-
Спуск полос из одной записи может использовать варианты Несколько на листе — повторить, Несколько на листе — уникальные или Уникальные — разбор по копиям с обрезкой. См. раздел Печать нескольких страниц на листе в Fiery Impose.
Спуск полос из нескольких записей может использовать варианты Разбор по копиям из нескольких записей, Обрезка и укладка или Размер стопки.
Разбор по копиям из нескольких записей
Разбор по копиям из нескольких записей означает последовательное помещение страниц из разных записей на поверхность листа. На поверхность листа помещается первая страница из каждой записи, пока не будут пройдены все записи. Затем начинается новый лист, и на него помещается вторая страница из каждой записи, пока не будут пройдены все записи. Процедура повторяется, пока не будут размещены все страницы.
На следующем рисунке показан результат применения макета односторонней печати 2 х 2 с настройкой Разбор по копиям из нескольких записей к заданию VDP, содержащему четыре записи. Каждая запись состоит из четырех страниц. R означает запись, а P означает страницу. Например, R1 P1 означает первую страницу первой записи.

Обрезка и укладка
Вариант Обрезка и укладка располагает страницы на листе таком образом, чтобы можно было уложить и разрезать листы, а затем уложить полученные стопки без дополнительной сортировки. Для шаблона Обрезка и укладка можно настроить параметр Размер стека.
На следующем рисунке показан результат применения макета односторонней печати 2 х 2 с настройкой Обрезка и укладка к заданию VDP, содержащему 100 записей. Каждая запись состоит из одной страницы. Если уложить, разрезать и снова уложить листы, записи будут располагаться в последовательном порядке.

| 1 | Печать |
| 2 | Обрезка |
| 3 | Укладка |
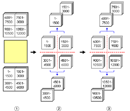
Размер стека
С помощью параметра Размер стека можно разделить большие задания VDP на пакеты меньшего размера для упрощения рабочего процесса Обрезка и укладка. Это позволяет ограничить размер стопки таким количеством листов, которое может быть размещено в стандартной резальной машине. Выполняется независимый спуск каждого пакета с использованием шаблона Обрезка и укладка, а между пакетами вставляются разделительные листы. (Параметр Размер стека доступен только при выборе компоновки Обрезка и укладка).
На следующем рисунке показан результат применения макета односторонней печати 2 х 2 с настройкой Обрезка и укладка к заданию VDP, содержащему 12 000 записей, каждая из которых состоит из одной страницы. Количество листов равно 3000. Для параметра Размер стека указано 1500 листов в пакете. В результате мы получаем два пакета, каждый из которых можно обрезать, отсортировать и уложить, а затем сложить вместе.

| 1 | Печать |
| 2 | Обрезка и укладка первой стопки |
| 3 | Обрезка и укладка второй стопки |