Metody impozycji grupowej w przypadku zadań VDP
W przypadku zadań drukowania zmiennych danych (VDP) można wykorzystać metodę impozycji pojedynczego rekordu albo wielu rekordów.
-
Łamanie pojedynczego rekordu może wykorzystywać ustawienie Grupowanie – powtórz, Grupowanie – unikatowe lub Wytnij unikatowe-posegregowane. Zob. Drukowanie z zastosowaniem grupowania w rozwiązaniu Fiery Impose.
Impozycja wielu rekordów może wykorzystywać ustawienie Segregowanie wielu rekordów, Przycinanie i układanie albo Rozmiar stosu.
Segregowanie wielu rekordów
Ustawienie Segregowanie wielu rekordów pozwala sekwencyjnie umieszczać strony z różnych rekordów na powierzchni arkusza. Umieszczana jest pierwsza strona z każdego rekordu — aż do wyczerpania wszystkich rekordów. Następnie pobierany jest kolejny arkusz, a na jego powierzchni umieszczana jest druga strona z każdego rekordu. Ponownie trwa to aż do wyczerpania wszystkich rekordów. Proces powtarza się, dopóki na arkuszach nie zostaną umieszczone wszystkie strony.
Widoczna poniżej ilustracja prezentuje jednostronny układ 2 na 2 z wykorzystaniem ustawienia Segregowanie wielu rekordów dla zadania VDP obejmującego cztery rekordy. Każdy rekord zawiera cztery strony. Litera „R” oznacza rekord, a litera „P” stronę. Przykładowo kombinacja „R1 P1” oznacza stronę 1 z pierwszego (1) rekordu.

Przycinanie i układanie
Ustawienie Przycinanie i układanie pozwala rozmieścić strony na powierzchni pojedynczego arkusza w taki sposób, aby zadrukowane arkusze można było ułożyć w stos i pociąć, zaś stosy uzyskane po pocięciu ułożyć w nowy stos bez potrzeby dodatkowego sortowania. W przypadku układu Przycinanie i układanie można użyć również opcji Rozmiar stosu.
Widoczna poniżej ilustracja prezentuje jednostronny układ 2 na 2 z wykorzystaniem ustawienia Przycinanie i układanie dla zadania VDP obejmującego 100 rekordów. Każdy rekord zawiera jedną stronę. Po ułożeniu arkuszy w stos, pocięciu ich i ponownym ułożeniu w stos rekordy są ułożone we właściwej kolejności.

| 1 | Drukuj |
| 2 | Odetnij |
| 3 | Układanie w stos |
Rozmiar stosu
Ustawienie Rozmiar stosu dzieli duże zadania VDP na mniejsze partie, aby usprawnić przebieg kolejności zadań Przycinanie i układanie. Pozwala to ograniczyć liczbę arkuszy w stosach, dzięki czemu zmieszczą się one w praktycznie każdej standardowej maszynie do cięcia. W ramach układu Przycinanie i układanie w przypadku każdej partii wykonywana jest niezależna impozycja. Ponadto między partiami umieszczane są arkusze rozdzielające (opcja Rozmiar stosu jest dostępna tylko w przypadku wybrania układu Przycinanie i układanie).
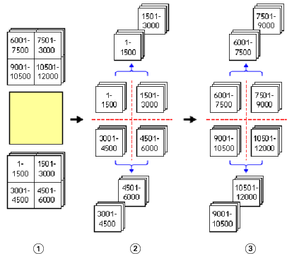
Widoczna poniżej ilustracja prezentuje jednostronny układ 2 na 2 z wykorzystaniem ustawienia Przycinanie i układanie dla zadania VDP obejmującego 12 000 rekordów z jedną stroną każdy. Finalnie uzyskuje się 3000 zadrukowanych arkuszy. Dla opcji Rozmiar stosu wybrano ustawienie 1500 arkuszy na partię. Uzyskany układ zawiera dwie partie, z których każda może zostać pocięta, posortowana, ułożona w stos i zapakowana.

| 1 | Drukuj |
| 2 | Cięcie pierwszego stosu i pakowanie |
| 3 | Cięcie drugiego stosu i pakowanie |