VDP 작업에 대한 갱업 임포지션 방법
VDP(가변 데이터 인쇄) 작업의 경우 단일 레코드 또는 다중 레코드 임포지션 방법을 사용할 수 있습니다.
-
단일 레코드 임포지션에서는 갱업 반복, 갱업 전용 또는 단일 모음 자르기를 사용할 수 있습니다. Fiery Impose의 갱업 인쇄 항목을 참조하십시오.
다중 레코드 임포지션에서는 다중 레코드 모음, 쌓고 자르기 또는 묶음 크기를 사용할 수 있습니다.
다중 레코드 모음
다중 레코드 모음을 사용하는 경우 여러 레코드의 페이지를 시트 표면에 순차적으로 배치합니다. 모든 레코드가 소진될 때까지 각 레코드의 첫 페이지를 시트 표면에 배치합니다. 그런 후에는 새 시트가 시작되어 모든 레코드가 소진될 때까지 각 레코드의 두 번째 페이지를 배치합니다. 모든 페이지를 배치할 때까지 이 프로세스를 반복합니다.
아래 미리 보기에는 4개 레코드를 포함하는 VDP 작업에 적용된 2x2 단면 다중 레코드 모음 레이아웃이 나와 있습니다. 레코드는 각각 4개 페이지로 구성되어 있습니다. "R"은 레코드를, "P"는 페이지를 의미합니다. 예를 들어 "R1 P1"은 레코드 1의 페이지 1이라는 뜻입니다.

쌓고 자르기
쌓고 자르기를 사용하는 경우 시트를 쌓고 자를 수 있도록, 그리고 추가로 정렬하지 않아도 잘라서 누적된 부분이 쌓이도록 시트 표면에 페이지를 정렬합니다. 쌓고 자르기 레이아웃은 묶음 크기 옵션과 함께 사용할 수 있습니다.
아래 예제에는 100개 레코드를 포함하는 VDP 작업에 적용된 2x2 단면 쌓고 자르기 레이아웃이 나와 있습니다. 각 레코드는 1개 페이지로 구성되어 있습니다. 시트를 쌓고 자른 후 다시 쌓으면 레코드가 순차적으로 정렬됩니다.

| 1 | 인쇄 |
| 2 | 잘라내기 |
| 3 | 쌓기 |
묶음 크기
묶음 크기를 사용하는 경우 큰 VDP 작업이 더 작은 배치로 분할되므로 보다 단순한 쌓고 자르기 워크플로우가 생성됩니다. 그러면 쌓이는 시트를 표준 절단기에서 자를 수 있는 수량으로 제한할 수 있습니다. 각 배치는 쌓고 자르기 레이아웃을 사용하여 개별적으로 임포징되며 배치 사이에 구분용 시트가 배치됩니다. 묶음 크기 옵션은 쌓고 자르기 레이아웃을 선택하는 경우에만 사용 가능합니다.
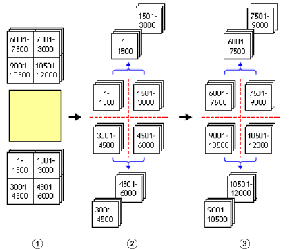
아래 예제에는 각각 1개 페이지로 구성되어 있는 12,000개 레코드를 포함하는 VDP 작업에 적용된 2x2 단면 쌓고 자르기 레이아웃이 나와 있습니다. 이 레이아웃을 사용하는 경우 시트 3,000개가 생성됩니다. 묶음 크기 옵션은 배치당 시트 1,500개로 설정됩니다. 결과로 생성되는 레이아웃은 2개 배치로 구성되며, 각 배치를 직렬로 자르고 정렬하고 쌓고 압축할 수 있습니다.

| 1 | 인쇄 |
| 2 | 첫 번째 누적을 절단하고 압축 |
| 3 | 두 번째 누적을 절단하고 압축 |