VDPジョブでのギャングアップ面付け方法
バリアブルデータ印刷(VDP)ジョブでは、単一レコードまたは複数レコードの面付け方法を使用できます。
-
単一レコード面付けでは、ギャングアップ反復、ギャングアップ唯一、または唯一丁合いを使用できます。Fiery Imposeでのギャングアップ印刷を参照してください。
複数レコード面付けでは、複数レコード丁合い、カットスタック、またはスタックサイズを使用できます。
複数レコード丁合い
複数レコード丁合いでは、異なるレコードのページが連続してシート面に配置されます。各レコードの1ページ目が全レコード分、シート面に配置されます。次に新しいシートになり、各レコードの2ページ目が全レコード分配置されます。この処理はすべてのページが配置されるまで繰り返されます。
次のプレビューに、4つのレコードを含むVDPジョブに適用された、2x2の片面印刷の複数レコード丁合いレイアウトを示します。レコードはそれぞれページが4枚あります。Rはレコードを表し、Pはページを表しています。たとえば、R1 P1はレコード1の1ページ目です。

カットスタック
カットスタックは、各ページを重ねて裁断でき、また裁断後に積み重ねたものを並べ替えずに済むように、ページをシート面に配置します。カットスタックレイアウトは、スタックサイズオプションとともに使用できます。
次の例に、100件のレコードを含むVDPジョブに適用された、2x2の片面印刷のカットスタックレイアウトを示します。レコードは1つのページから成ります。シートがスタックされ、カットおよび再度スタックされると、レコードは順番に配置されます。

| 1 | 印刷 |
| 2 | 切り取り |
| 3 | スタック |
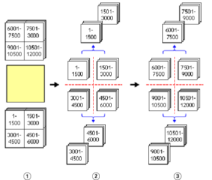
スタックサイズ
スタックサイズによって大きなVDPジョブがより小さなバッチに分割され、その結果カットスタックワークフローが簡素化されます。これにより、スタックされるシート数を標準的な裁断機が対応できる量に制限できます。それぞれのバッチはカットスタックレイアウトを使用して個別に面付けされ、バッチ間にはセパレーターシートが配置されます。(スタックサイズオプションは、カットスタックレイアウトを選択した場合にのみ利用できます)。
次の例に、それぞれ1ページを構成する12,000件のレコードを含むVDPジョブに適用された、2x2の片面印刷のカットスタックレイアウトを示します。この結果、シートは3,000枚になります。スタックサイズオプションは、1つのバッチあたり1,500シートに設定されています。結果として生じたレイアウトは2つのバッチから成り、各バッチは裁断、並べ替え、スタック、パッキングを相前後して実行できます。

| 1 | 印刷 |
| 2 | 最初の積み重ねの裁断とパッキング |
| 3 | 2度目の積み重ねの裁断とパッキング |