Métodos de imposição de agrupamento para tarefas VDP
Para tarefas de Impressão de dados variáveis (VDP), você pode utilizar métodos da imposição de registro único ou múltiplo.
-
A Imposição de registro único pode usar Repetição de agrupamento, Agrupamento único ou Corte intercalado único. Consulte Impressão em agrupamento no Fiery Impose.
A Imposição múltipla de registro pode utilizar Intercalação multirregistro, Recortar e empilhar ou Tamanho da pilha.
Intercalação multirregistro
A Intercalação multirregistro posiciona páginas de registros diferentes de forma sequencial na superfície da folha. A primeira página de cada registro é colocada na superfície da folha até que todos os registros tenham se esgotado. Em seguida, uma nova folha é iniciada, e a segunda página de cada registro é posicionada até que todos os registros tenham se esgotado. O processo é repetido até que todas as páginas estejam posicionadas.
A visualização a seguir exibe um layout 2 por 2 simplex, de Intercalação multirregistro, aplicado a uma tarefa VDP que contém quatro registros. Os registros consistem de quatro páginas cada. O "R" corresponde a registro e o "P” à página. Por exemplo, o "R1 P1" corresponde à Página 1 do Registro 1.

Recortar e empilhar
Recortar e empilhar organiza páginas na superfície da folha de modo que as folhas possam ser empilhadas e recortadas, e as pilhas de corte empilhadas sem qualquer classificação adicional. O layout Recortar e empilhar pode ser utilizado com a opção Tamanho da pilha.
O seguinte exemplo exibe um layout 2 por 2, simplex, Recortar e empilhar aplicado a uma tarefa VDP que contém 100 registros. Cada registro consiste em uma página. Quando as folhas são empilhadas, cortadas e novamente empilhadas, os registros são dispostos em ordem sequencial.

| 1 | Imprimir |
| 2 | Recortar |
| 3 | Empilhar |
Tamanho da pilha
O Tamanho da pilha divide tarefas grandes de VDP em lotes menores para simplificar o fluxo de trabalho Recortar e empilhar resultante. Isso permite que você limite as folhas empilhadas às quantidades que são acomodadas por máquinas de corte padrão. Cada lote é imposto independentemente utilizando o layout Recortar e empilhar, e as folhas de separador são posicionadas entre os lotes. (A opção Tamanho da pilha está disponível somente quando você escolhe o layout Recortar e empilhar.)
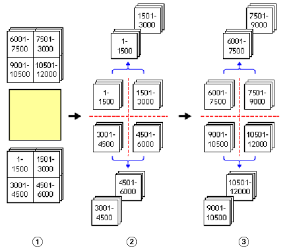
O seguinte exemplo exibe um layout 2 por 2, simplex, Recortar e empilhar aplicado a uma tarefa VDP que contém 12.000 registros, cada um consistindo em uma única página. Isso resulta em 3.000 folhas. A opção Tamanho da pilha é definida para 1.500 folhas por lote. O layout resultante consiste em dois lotes, cada um pode ser recortado, classificado, empilhado e, finalmente, empacotado em conjunto.

| 1 | Imprimir |
| 2 | Recorta a primeira pilha e a embala |
| 3 | Recorta a segunda pilha e a embala |
