VDPジョブでのギャングアップ面付け方法
バリアブルデータ印刷(VDP)ジョブでは、単一レコードまたは複数レコードの面付け方法を使用できます。
「単一レコード面付け」では、「ギャングアップ反復」、「ギャングアップ唯一」、または「唯一-丁合い」を使用できます。Fiery Imposeでのギャングアップ印刷を参照してください。
「複数レコードの面付け」では、「複数レコード丁合い」、「カットスタック」、または「スタックサイズ」を使用できます。
複数レコード丁合い
「複数レコード丁合い」では、異なるレコードのページを連続してシート面に配置します。各レコードの1ページ目が全レコード分、シート面に配置されます。次に新しいシートになり、各レコードの2ページ目が全レコード分配置されます。この処理はすべてのページが配置されるまで反復されます。
次のプレビューでは2 x 2、片面印刷、「複数レコード丁合い」レイアウトが、4つのレコードのあるVDPジョブに適用されます。レコードはそれぞれページが4枚あります。「R」はレコードを意味し、「P」はページを意味します。たとえば、「R1 P1」はレコード1の1ページです。

カットスタック
「カットスタック」は、シートを重ねて裁断して積み重ねることでページの並べ替えが必要ないように、シート上にページを配置します。「カットスタック」レイアウトは、「スタックサイズ」オプションと組み合わせて使用できます。
次の例では2 x 2、片面印刷、「カットスタック」レイアウトが、100のレコードのあるVDPジョブに適用されます。レコードは1つのページから成ります。シートがスタックされ、カットおよび再度スタックされると、レコードは順番に配置されます。

| 1 | 印刷 |
| 2 | カット |
| 3 | スタック |
スタックサイズ
「スタックサイズ」により、大きいVDPジョブが小さいバッチに分けられるので、「カットスタック」ワークフローが簡素化されます。これにより、スタックされたシート数を標準的なカッティングマシンで対応できる量に制限できます。「カットスタック」レイアウトを使用して、それぞれのバッチは独立して面付けされ、セパレーターシートはバッチの間に配置されます。(「スタックサイズ」オプションは、「カットスタック」レイアウトを選択したときのみ利用できます。)
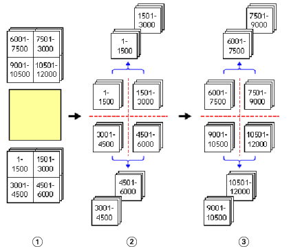
以下は12000件のレコード(それぞれが単一ページから成る)があるVDPジョブに2 x 2、片面印刷、「カットスタック」レイアウトを適用した例です。これにより、シートは3000枚になります。「スタックサイズ」オプションは、バッチごとに1500シートに設定されています。適用後のレイアウトは2つのバッチから成り、それぞれが縦一列にカット、並べ替え、スタックおよび梱包できます。

| 1 | 印刷 |
| 2 | 最初の積み重ねをカットして梱包 |
| 3 | 次の積み重ねをカットして梱包 |
