Sammelformen für VDP-Aufträge
Für VDP-Aufträge (mit variablen Inhalten) stehen Sammelformen für den Einzel- und den Mehrsatzmodus zur Verfügung.
Für das Ausschießen im Einzelsatzmodus werden die Sammelformen „Mehrmals“, „Einmal“ und „Einmal, Schnitt im Stapel“ unterstützt. Weitere Hinweise finden Sie im Abschnitt Sammelformen in Fiery Impose.
Für das Ausschießen im Mehrsatzmodus werden die Sammelformen „Sortieren“ und „Schneiden und stapeln“ sowie die Option „Stapelgröße“ unterstützt.
Sammelform „Mehrsatzmodus – Sortieren“
Bei einer Sammelform vom Typ „Mehrsatzmodus – Sortieren“ werden die Seiten mehrerer Datensätze der Reihe nach auf den Bogen platziert. Die erste Seite jedes Datensatzes wird auf den Bogen platziert, bis alle Datensätze abgearbeitet wurden. Danach wird ein neuer Bogen begonnen, auf dem die zweite Seite jedes Datensatzes platziert wird, bis wiederum alle Datensätze abgearbeitet wurden. Dieser Prozess wird wiederholt, bis alle Seiten jedes Datensatzes platziert wurden.
Im folgenden Beispiel wird eine Sammelform vom Typ „Mehrsatzmodus – Sortieren“ mit 2 Zeilen und 2 Spalten für die Simplexausgabe auf einen VDP-Auftrag angewendet, der insgesamt vier Datensätze beinhaltet. Jeder dieser Datensätze umfasst vier Seiten. In der schematischen Darstellung steht „R“ für Datensatz (Record) und „P“ für Seite (Page). So bedeutet „R1–P1“ zum Beispiel „Seite 1 aus Datensatz 1“.

Sammelform „Schneiden und stapeln“
Bei einer Sammelform vom Typ „Schneiden und stapeln“ werden die Seiten so auf den Bogen angeordnet, dass nach dem Schneiden der gestapelten Bogen die Stapel nur noch aufeinander gelegt werden müssen, damit die Seiten in der richtigen Lesefolge vorliegen. Das Layout „Schneiden und stapeln“ kann zusammen mit der Option „Stapelgröße“ verwendet werden.
Im folgenden Beispiel wurde eine Sammelform vom Typ „Schneiden und stapeln“ mit 2 Zeilen und 2 Spalten und die Simplexausgabe auf einen VDP-Auftrag angewendet, der insgesamt 100 Datensätze beinhaltet. Jeder Datensatz umfasst genau eine Seite. Wenn die Bogen gestapelt, geschnitten und nochmals gestapelt werden, liegen die Datensätze in aufsteigender Reihenfolge vor.

| 1 | |
| 2 | Schneiden |
| 3 | Stapeln |
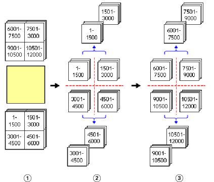
Option „Stapelgröße“
Mit der Option „Stapelgröße“ können umfangreiche VDP-Aufträge in kleinere Sets unterteilt werden, um den Workflow für das Layout „Schneiden und stapeln“ zu vereinfachen. Mit dieser Option können Sie die Dicke der Stapel so bemessen, dass sie mit normalen Schneidemaschinen bearbeitet werden können. Jedes Set wird für sich auf der Basis des Layouts „Schneiden und stapeln“ ausgeschossen, und zwischen die einzelnen Stapel werden Trennblätter eingelegt. (Die Option „Stapelgröße“ wird nur für die Sammelform „Schneiden und stapeln“ unterstützt.)
Im folgenden Beispiel wurde eine Sammelform vom Typ „Schneiden und stapeln“ mit 2 Zeilen und 2 Spalten für die Simplexausgabe auf einen VDP-Auftrag angewendet, der insgesamt 12.000 Datensätze beinhaltet, von denen jeder genau eine Seite umfasst. Das bedeutet, dass 3000 Bogen bedruckt werden. Mit der Option „Stapelgröße“ wird dieser Auftrag in zwei Sets mit jeweils 1500 Bogen unterteilt. Das daraus resultierende Layout ergibt zwei Stapel, von denen jeder für sich geschnitten, sortiert, gestapelt und verpackt werden kann.

| 1 | |
| 2 | Erstes Set schneiden und stapeln |
| 3 | Zweites Set schneiden und stapeln |
